
.jpg)
LKLUXZ系列智能氧氣流量計采用*新微處理技術,具有功能強、流量范圍寬、操作維修簡單,安裝使用方便等優點,智能氧氣流量計集壓力溫度檢測與補償運算于一體,具有計量精度高,流量范圍寬,無可動部件,抗振與抗脈動流性能好,體積小,重量輕,使用方便等優點。智能氧氣流量計是石油、化工、電力、冶金及城市燃氣管網等行業用于氣體計量的理想儀表。
一、LKLUXZ系列智能氧氣流量計概述
LKLUXZ系列智能氧氣流量計采用先進的微處理技術,具有功能強、流量范圍寬、操作維修簡單,安裝使用方便等優點,可廣泛應用于石油、化工、電力、冶金、煤碳等行業各種氣體的計量。
1、內置式壓力、溫度、流量傳感器,安全性能高,結構緊湊,外形美觀。
2、就地顯示溫度、壓力、瞬間流量和累積總量。
3、采用先進的信號處理放大器和獨特的過濾波技術,有效地剔除了壓力波動和管道振動所產生的干擾信號,大大提高了流量計的抗干擾能力,使小流量具有出色的穩定性。
4、特有時間顯示及實時數據存儲之功能,無論什么情況下,都能保證內部數據不會丟失,可長久性保存。
5、整機功耗極低,能憑內部電池可長明供電運行,是理想的無需外電源就地顯示儀表。
6、防盜功能可靠,具有密碼保護,防止參數改動。
7、表頭可180度隨意旋轉,安裝方便。
本系列產品執行國家JJG198-94《速度式流量計檢定規程》和Q/320831C S003-2007 《LUXZ系列智能旋進旋渦體流量計》企業標準。
本系列產品經國家ji儀器表主爆安全監督站(NEPSI)檢定認可,符合國家標GB3836.1-2000,GB3836.2-2000有關規定。隔爆型防爆標志為Exd Ⅱ Bt4。
二、LKLUXZ系列智能氧氣流量計結構與工作原理
1、流量計結構(見圖1)

1、殼體2、旋渦發生體3、流量傳感器4、壓力傳感器5、流量積算儀6、溫度傳感器、7、導流體
2、流量計工作原理(見圖2)
當流體通過螺旋形的旋渦發生體后,流體被迫繞旋渦發生體中心劇烈地旋轉,形成旋渦流。旋渦流加速,沿流動方向經縮段、流動強度增強。當旋渦流進入擴散段后,在導流體回流的作用下,該旋渦產生二次旋轉,二次旋渦的頻率與流量與正比。當流量計設計得當時,在很寬的流量范圍內,旋渦頻率與流量成線性關系。該頻率由壓電傳感器檢測,通過流量積算儀進行運算和處理。顯示流量的瞬間流量和累積總量,并變送輸出對應的4-20mA電流信號。
三、LKLUXZ系列智能氧氣流量計主要技術參數
1、流量計規格、基本參數和性能指標(見表1)

注: 1、表中所列的流量范圍為產品出廠時檢定的流量范圍(常溫、常壓下介質為空氣,ρ=1. 205kg/m);2、隨著壓力的增大,流量范圍也隨之擴大。
2、標準狀態條件:P=101.325kPa,T=293.15K
3、使用條件:
環境溫度: -20~+60℃;
介質溫度:-20~+80℃;
相對濕度:5%~95%
大氣壓力:86kPa~106kPa
4、電氣性能指標
工作電源:外電源:+24VDC
內電源:3.6V鋰電池
整機功耗:外電源:<1W
內電源:<0.3mW,鋰電池可用二年以上。
輸出方式:脈沖信號
4~20mA電流信號:對應流量0~Qmax,20mA對應流量可由用戶自己設定。
RS485通訊:可傳輸瞬時流量、累積流量、壓力和溫度參數和時間、日期。
5、防爆標志:Exd II BT4
6、防護等級:IP65
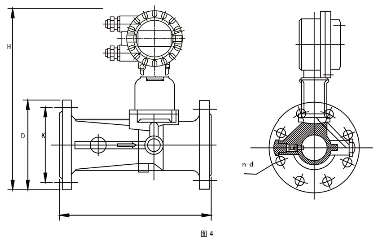
四、LKLUXZ系列智能氧氣流量計外形尺寸及安裝
1、流量計外形尺寸(見圖4和表2)
.jpg)
2、流量汁安裝尺寸(1.6MPa)
3、流量計的安裝
(1)流量計應根據流向標志安裝。
(2)流量計可水平、垂直或任意角度傾斜安裝。
(3)上下游直管段要求見圖5。
.jpg)
(4)被測介質內除含有較大顆?;蜉^長纖維性雜質外,一般無需安裝過濾器。
(5)流量周圍不應有強外磁場干擾及強烈的機械振動。
(6)流量計必須可靠接地。
五、LKLUXZ系列智能氧氣流量計的選型
1、用戶在選型時,應根據管道公稱壓力、介質zui高壓力、介質溫度、介質組分情況,流量范圍及信號輸出要求合理選擇流量計的型號規格。
2、為使流量計的使用性能zui佳,流量計的使用范圍在zui大流量的20%~80%范圍內比較合適。
3、流量計出廠時的標準輸出配置是:具有工況脈沖信號輸出(三線制)。若要求其它輸出功能時,請在訂貨時說明。
六、LKLUXZ系列智能旋進旋渦氣體流量計訂貨須知
1、用戶訂購本產品時要注意根據管道公稱直徑、流量范圍、公稱壓力、介質zui大壓力、介質溫度范圍、環境
條件選擇合適的規格,在危險場所使用的必須注明防爆等級要求。
2、流量計一般為基本型,帶工況脈沖輸出,若需其它附件及輸出功能,請在訂貨時注明。3、用戶在訂貨時,請按照下列格式,詳細正確地填寫。
前一個產品:一氧化碳、二氧化碳流量計
下一個產品:天然氣流量計廠家,天然氣流量計選型
版權所有 Copyright(©)2009-2011 江蘇力科儀表有限公司
電話號碼:0517-86909222 商務熱線:15305232668 傳真:0517-86909221
地址:江蘇省金湖縣工業園
技術支持:易品網站建設專家 蘇ICP備13047422號-2